Новости компании
Дом / Новости / Новости компании / Рекомендации по продукту|YX5520 Реле времени звезда-треугольник
Автор: Админ Дата: 12 09, 2025

Рекомендации по продукту|YX5520 Реле времени звезда-треугольник

01 Точная задержка| Автоматическое переключение


Реле времени звезда-треугольник YX5520 имеет регулируемый диапазон задержки (обычно от 0,1 секунды до 30 секунд) и может точно устанавливать время переключения в соответствии с мощностью двигателя и условиями нагрузки без ручного вмешательства.


02 Высокая совместимость | Совместимость без проблем

Реле времени YX5520 звезда-треугольник имеет сверхширокий диапазон адаптации напряжения и может быть совместимо с источниками питания в разных странах и регионах без необходимости использования дополнительных трансформаторов или оборудования для регулирования напряжения.


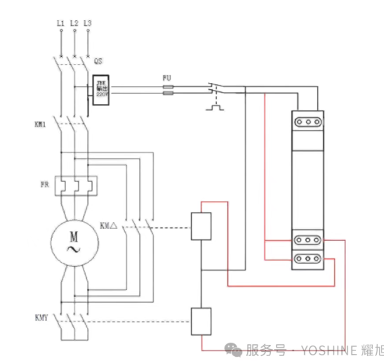
03 Треугольная (Y-Δ) схема пуска с пониженным напряжением


Реле времени звезда-треугольник YX5520 снижает влияние пускового тока за счет «снижения напряжения при запуске», позволяя двигателю плавно ускоряться в схемной системе — это эквивалентно добавлению «буфера» при запуске двигателя, защищающего двигатель, цепь и соответствующее оборудование.


04 Панель продукта


Реле времени звезда-треугольник YX5520 имеет конструкцию ручки и оснащено многоцветными светодиодными индикаторами, обеспечивающими обратную связь в режиме реального времени о рабочем состоянии.


05 Функциональная схема



06 Схема подключения



07 Измерение


Делиться:
Связаться с нами

Свяжитесь с нами

  • ОТПРАВЛЯТЬ